Diseño de PCBs personalizadas para prototipos innovadores

En CadizIoT, nos especializamos en el diseño de PCBs (Printed Circuit Boards) personalizadas, adaptadas a una amplia variedad de prototipos. Si estás desarrollando proyectos en Internet of Things (IoT), sensores, automatización o cualquier aplicación electrónica, nuestras soluciones te ayudan a pasar de la idea al producto funcional de manera eficiente. Este servicio está diseñado para emprendedores, startups y empresas que buscan calidad y precisión en sus desarrollos.

Beneficios de las PCBs personalizadas en prototipos

Optar por un diseño de PCB a medida ofrece ventajas clave para tus prototipos:

  • Eficiencia y optimización: Reduce el tamaño, mejora el rendimiento y minimiza errores comunes en prototipos genéricos.
  • Flexibilidad para proyectos específicos: Adaptable a necesidades únicas, como integración de módulos IoT o sensores personalizados.
  • Ahorro de tiempo y costos: Prototipos más rápidos y escalables, ideales para iteraciones en fases tempranas de desarrollo.
  • Calidad profesional: Cumplimos con estándares de fabricación que garantizan durabilidad y fiabilidad, especialmente en entornos como Cádiz, donde factores ambientales como la humedad pueden influir.
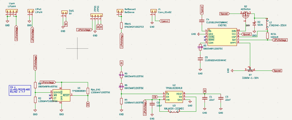
Imagen de un diagrama esquemático de PCB personalizado para un prototipo IoT

Proceso de diseño paso a paso

Nuestro enfoque en el diseño de PCBs es sistemático y colaborativo, asegurando que cada prototipo cumpla con tus requisitos. Aquí va un resumen del proceso:

  1. Consulta inicial: Analizamos tus necesidades, especificaciones técnicas y objetivos del prototipo.
  2. Diseño esquemático: Creamos el esquema eléctrico utilizando herramientas avanzadas para mapear componentes y conexiones.
  3. Enrutado y layout: Optimizamos la disposición de pistas, capas y componentes para minimizar interferencias.
  4. Simulación y pruebas: Validamos el diseño mediante simulaciones virtuales antes de la fabricación.
  5. Fabricación y ensamblaje: Producimos la PCB y la integramos en el prototipo, con opciones de pruebas finales.

Este método asegura que tus prototipos sean viables y listos para escalar a producción.

Renderizado 3D de una PCB personalizada en fase de diseño

Herramientas recomendadas para diseños personalizados

Para lograr resultados óptimos, utilizamos software líder en la industria:

  • KiCad: Para esquemas y layouts precisos.
  • Herramientas de simulación Spice: Para verificar el comportamiento eléctrico antes de fabricar.

Estas herramientas nos permiten crear PCBs multicapa, con vías finas y compatibles con componentes SMD o through-hole, adaptadas a tus prototipos.

Ejemplos de prototipos desarrollados

En CadizIoT, hemos aplicado diseños de PCBs personalizadas en diversos proyectos, como por ejemplo:

  • Prototipos IoT para monitoreo ambiental: PCBs compactas con sensores ambientales desarrollados y desplegados por Cádiz.
  • Sistemas de automatización doméstica: Diseños que integran microcontroladores para control remoto.
  • Nodos para comunicaciones con Meshtastic: Diseños de PCB para diversas aplicaciones de nodos Meshtastic, desde dispositivos portátiles hasta nodos fijos que dan soporte a la infraestructura.
Imagen de un prototipo ensamblado con PCB personalizada en uso real

El diseño de PCBs personalizadas es esencial para innovar en prototipos electrónicos. En CadizIoT, ofrecemos expertise para transformar tus ideas en realidades tangibles. Explora más desarrollos en nuestro sitio y considera cómo podemos apoyar tu próximo proyecto.

Deja un comentario

Tu dirección de correo electrónico no será publicada. Los campos obligatorios están marcados con *

Scroll al inicio